喷雾罐中的陶瓷颗粒提供数字x射线
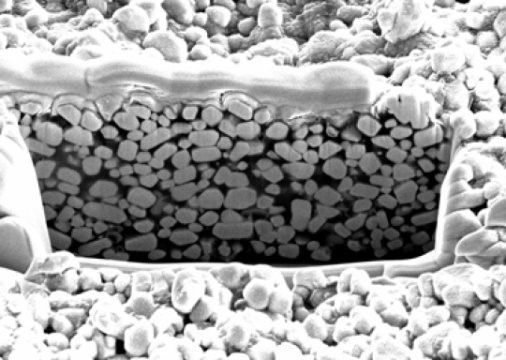
如图所示为电子显微镜下陶瓷颗粒在塑料中的分布。图片来源:INM。
数字x射线系统已成为卫生保健的重要组成部分。过去的模拟x射线胶片已经被数字平板探测器所取代。如今的探测器灵敏度高,但相当昂贵,且分辨率有限。现在,科学家合作的HOP-X检测器研究项目已经成功开发出一种新材料:导电塑料中的嵌入式陶瓷颗粒。这种“复合材料探测器”组件可以搅拌成溶剂,以油漆状进行喷涂。这意味着,在未来,人们有可能实现大规模生产成本低且图像分辨率高的x射线探测器。
这一结果最近发表在《自然光子学》上。
x射线探测器由一层闪烁体和光电二极管组成。闪烁体层光电二极管在吸收x射线后转换成可见光。这种探测器制备困难,且设备昂贵。设备的分辨率是有限的,因为接收到的信号会相互干扰。为了以较低的成本制造出x射线探测器,来自西门子医疗GmbH、新材料INM-莱布尼兹研究所、CAN GmbH和埃朗根大学的科学家合作,开展了项目HOP-X:他们使用新材料制作柔性太阳能电池,并将它们适用于x射线。
为了实现这一目标,INM的科学家在制备陶瓷粒子时,在收到射线的轰击下,陶磁颗粒会发亮。将这些陶磁颗粒嵌入导电塑料,在X射线的激发下,就可以将光转化成电流。研究人员调查了形成复合材料的颗粒和塑料。Tobias Kraus是INM的结构形成部门的负责人,他说:“我们在电子显微镜下用离子束观察了样品薄层。图像显示了粒子在与塑料不同的配比下的排列情况。这使得我们可以选择成分混合比来制备分辨率最好的x射线探测器。在辐射剂量下,优化材料制备出高分辨率的x射线探测器。
结果表明,这种新型复合材料的x射线探测器可以满足医疗技术的严格要求。研究人员目前正在利用这一技术制造更大的X射线探测器。
- 上一篇 >发行规模大增 2022年绿色债券市场扩容可期2022-02-17
- < 下一篇将二氧化碳转化为绿色能源电池2016-03-07

