佳隆集团

行业新闻

坚持“稳健发展,适度扩张,持续经营”的经营理念。

您当前的位置: 首页  >  新闻互动  >  行业新闻

纳米金刚石中发现价带电子空穴

 


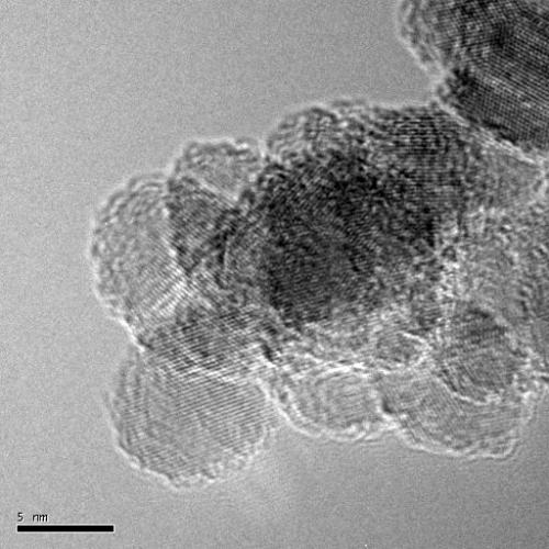
纳米金刚石是非常小的晶体物质,其尺寸只有几纳米。(来源:Mohamed Sennour, MINES ParisTech

纳米金刚石是非常小的晶体物质,只有几个纳米大小。虽然它们拥有跟钻石一样的晶体结构,但是性质大大不同于正常尺寸的金刚石,主要是由于它们的表面对它们极小的体积发挥的主导作用。并且纳米金刚石的悬浮溶液可以作为中介活性物质应用于生物医学,例如:作为催化剂去分解水。

但沉积在固态基质上的纳米金刚石的电子特性与水溶液中金刚石的电子特性有何不同?

研究人员发现,通过应用BESSY II吸收和发射光谱,可以对此进行研究。他们的结果,发表在Nanoscale,主要解释了纳米金刚石在其悬浮液中展现出价带电子空穴,但是在其薄膜中并未发现此现象。

“在水中,纳米金刚石与其邻近的分子、离子的相互作用非常强”,研究人员说。通过添加盐或改变pH值活性,可以改变吸附在纳米金刚石上的活性药物成分。研究人员发现在悬浮液中的纳米金刚石的表面电子状态是明显不同于那些固态基质上的纳米金刚石。

研究人员在真空条件下利用x射线光谱测试了液态样品,并且绘制了详细的价带和导带电子填充和缺失图片。研究结果表明,悬浮液中纳米金刚石表面会形成价带电子缺失空穴。这种现象说明纳米金刚石表面的电子都贡献给了周围的水分子。物理学家同时也开始怀疑,如果改变了纳米粒子的电子结构,就有可能影响它们的化学、光学以及催化性能。在未来,他们将进行进一步研究,水环境下纳米金刚石的催化效果是否可以提升,从而将水分子分解为氧气和氢气。

鲁公网安备 37060202000235号